leaking pvc valve?
I noticed that it looks like the pcv valve is leaking (it sprayed on my UIM and engine shield)... It smells like gas... I took the valve out and shook it and i heard the valve move. What is the deal with this? If you noticed I made a thread a few days ago about having horrid gas millage. Anyone have a suggestion? 2001 monte 3.8 n/a
Yea i know i put pvc in the title instead of pcv...
Yea i know i put pvc in the title instead of pcv...
Last edited by blueSS; Dec 12, 2011 at 09:41 PM.
Indeed they are.. but i thought if i could hear it move back and forth when i shake it it was still good. Which the one I pulled out did. I was wondering if there was something more serious wrong with something... But I just replaced it so ill see if that works.
I have the 2004 Dale Jr. Monte Carlo SS 3.8 supercharged engine. I bought a new PCV valve. My son took it apart and can't remember how it goes back in.
Just a blank plate and two bolts. Does the spring go into the SC first or the valve? I assume the hole points down into the SC. The PCV valve doesn't feed through.
Just a blank plate and two bolts. Does the spring go into the SC first or the valve? I assume the hole points down into the SC. The PCV valve doesn't feed through.
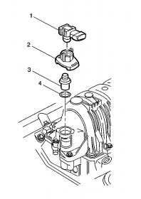
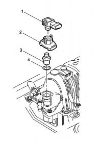
Look here it should help with reassembly. It's part #117 and is located right by the supercharger in the picture.
LINK C ENGINE ASM-3.8L V6 PART 2 (L67/3.8-1);. Fits: 98 Regency, 98 Touring Sedan, Electra, Park Avenue , Ultra | Nalley Buick GMC Brunswick
LINK C ENGINE ASM-3.8L V6 PART 2 (L67/3.8-1);. Fits: 98 Regency, 98 Touring Sedan, Electra, Park Avenue , Ultra | Nalley Buick GMC Brunswick
Last edited by lougreen03; Mar 29, 2012 at 09:00 AM.
Thread
Thread Starter
Forum
Replies
Last Post
7th Gen ('06-'07): PVC breather
Hiroska
Engine/Transmission/Performance Adders
1
Aug 27, 2013 10:20 PM
bigmichaelcool
Engine/Transmission/Performance Adders
7
Feb 8, 2011 07:13 PM
prez
Engine/Transmission/Performance Adders
5
Dec 17, 2009 09:21 AM

















