Monte Carlo Repair Help Have a Monte problem and need help? Good at troubleshooting? Discuss it here!

No Start Issue

Thread Tools
 
Search this Thread
 
Old Aug 4, 2025 | 12:38 PM
  #1  
davidh0765's Avatar
Thread Starter
Joined: Jul 2025
Posts: 23
Question No Start Issue

2003 Monte Carlo SS / 82k miles. Last time it was drove everything was perfect. It stays in the garage at all times. Went to start the other day, and car would not start. Turn ignition to on position everything comes to life like it should. When turn the key to try and start, everything goes completely dead, then dash panel will come back to life after a few seconds. After it comes back to life I don't see security flashing on screen. If I turn off, and then turn back to on without trying to start, I see the security flash on DIC. I also see CAL ERROR on the radio as well. The car will not crank at all. Car has a newer battery (less than 1 year old), which checks out with 12.7v and load tested great. Thought this might be something to do with ignition switch due to Passlock issue. On the dash DIC I keep seeing Security flash as it rotates through all the messages like door open, etc. Replaced entire ignition switch with new AC Delco parts, and no changes. I have tried to go through the Security reset procedures, but the flashing Security will never go away after the 10+ minutes of key being in the on position. Hooked up to OBD2 Launch X431 and have following codes:
U1000 - Class 2 data link malfunction
U1255 - Class 2 data link malfunction
B2964 - Key in ignition circuit high

Launch will not read the VIN on the vehicle.

Any idea what could be wrong?
 

Last edited by davidh0765; Aug 4, 2025 at 07:59 PM.
Old Aug 4, 2025 | 04:38 PM
  #2  
The_Maniac's Avatar

Monte Of The Month -- December 2011
Monte Of The Month -- September 2014
10 Year Member5 Year Member3 Year Member1 Year Member
iTrader: (2)
Joined: Apr 2010
Posts: 12,608
From: Mentor, Ohio
15 Year Member
Default

I am not familiar with the OB2 Launch X431 you are using, but I am curious if it tries to read the VIN from the PCM or the BCM. Given the U codes you obtained, there are some communications issues between modules in the car. The issue is trying to figure out which ones and why. It could be power or ground to a module or bad data link connection. This could also explain the problem with the security reset. Start with an easy task, check the ALL the fuses and make sure none of them are bad. After that, it will be looking for GM's diagnostic chart for these codes.
 
Old Aug 5, 2025 | 11:48 AM
  #3  
02MonteSS_D.E.'s Avatar
Joined: Jun 2025
Posts: 77
From: Southern Virginia
Default

Sounds like a loose or bad connection somewhere, Have someone put the multimeter leads in the cigarette lighter and watch the voltage as you try to crank the engine and see if it drops lower than 11.5 volts during cranking. If it drops lower or completely to nothing then do the same thing with the multimeter on the battery cables at the battery and see if voltage is present during cranking.
Also could try with the key in the ON position to turn the blower motor on full blast and see if the voltage drops as well or if it shuts everything down.
 
Old Aug 5, 2025 | 04:53 PM
  #4  
davidh0765's Avatar
Thread Starter
Joined: Jul 2025
Posts: 23
Default

I will try this testing this afternoon. Thanks for your response to my post!
 
Old Aug 5, 2025 | 08:09 PM
  #5  
davidh0765's Avatar
Thread Starter
Joined: Jul 2025
Posts: 23
Default

Originally Posted by 02MonteSS_D.E.
Sounds like a loose or bad connection somewhere, Have someone put the multimeter leads in the cigarette lighter and watch the voltage as you try to crank the engine and see if it drops lower than 11.5 volts during cranking. If it drops lower or completely to nothing then do the same thing with the multimeter on the battery cables at the battery and see if voltage is present during cranking.
Also could try with the key in the ON position to turn the blower motor on full blast and see if the voltage drops as well or if it shuts everything down.
No drop in power at lighter or battery connections.
 
Old Aug 17, 2025 | 06:39 AM
  #6  
davidh0765's Avatar
Thread Starter
Joined: Jul 2025
Posts: 23
Default

Latest update. Finally broke down and had car towed to a chevrolet dealership, which didn't go very well. After $260 in towing (to and from), and $1k diagnostic fees, they told me that the PCM needed to be replaced. They said they could do that for an additional $1800. After the $1260 in diagnostic and towing fees, there was no way I was putting another $1800 into this. I did buy and replace the PCM, and I did see some positives, but still no start. After replacing the PCM, I was able to reset/relearn the security/passlock (Which it would not do before). I am also now able to communicate with scanner through the OBD2 port (Which it would not do before). I am NOT getting the communication errors now. I am still having the no start issue (no security light now). Turn key to on position and everything comes to life (Dash lights, etc.), but when I turn to start car, everything dies for a few seconds and then comes back. Battery is new and strong. I even swapped battery out, and still have same problem. Could this simply be the starter? Is there a way I can test the starter without removing it from the car? Any help would be greatly appreciated.
 
Old Aug 17, 2025 | 08:20 AM
  #7  
volkerc's Avatar
Joined: Feb 2013
Posts: 136
10 Year Member
Default

Kinda sounds intermittent. Ever checked all the grounds and cleaned them, check if tight?
 
Old Aug 17, 2025 | 08:59 AM
  #8  
02MonteSS_D.E.'s Avatar
Joined: Jun 2025
Posts: 77
From: Southern Virginia
Default

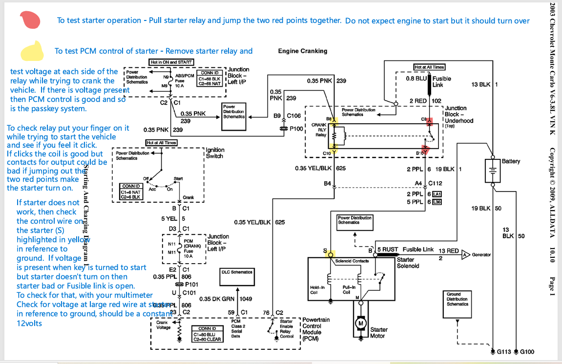
Im sorry I did not know you posted this a few weeks ago. I would of responded with more things to try. I hate to hear you spent so much money at the dealer. ugh. Since the voltage is ok. I would like you to check a few other points for voltage. I attached a schematic with points to check with a multimeter and report back. I don't think the dash going out while cranking is an issue cause when a car is in a start mode things like the radio turns off temporarily and I think my dash does as well during cranking.
 
Old Aug 17, 2025 | 09:07 AM
  #9  
02MonteSS_D.E.'s Avatar
Joined: Jun 2025
Posts: 77
From: Southern Virginia
Default

Also was the new PCM programmed with the vehicle VIN as well?
 
Old Aug 20, 2025 | 09:14 AM
  #10  
davidh0765's Avatar
Thread Starter
Joined: Jul 2025
Posts: 23
Default

Originally Posted by volkerc
Kinda sounds intermittent. Ever checked all the grounds and cleaned them, check if tight?
Not intermittent.... It won't start consistently.
 



All times are GMT -5. The time now is 05:58 PM.