No Start Issue
Yes, it was programmed with the VIN. IT did solve the communication issue and also allowed me to sync/clear security issue. Only problem now is the car will still not start. No codes now after PCM replaced.
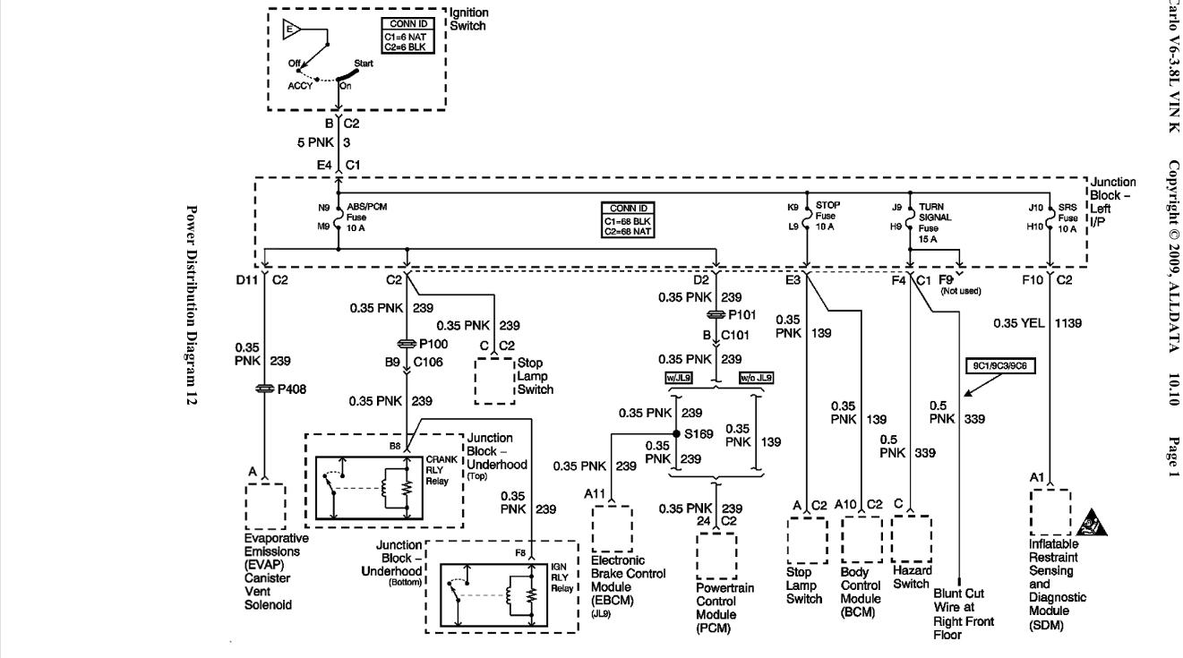
I did the testing you suggested on the schematic. Relay is not clicking when trying to start. No power to the starter (S) when trying to start. Starter did try to start when I jumped terminals 30 & 87 in the crank relay terminals. I should be getting 12volt power to terminal 86 in the crank relay when trying to start, but I am getting nothing. I also checked the 10amp ABS/PCM fuse in the fuse panel and it is good. Car has new PCM programmed to VIN and complete new ignition switch/cylinder. Any thoughts?
Alright thanks for checking all that. Agreed the PCM is not supplying the ground to the relay to engage the relay. I see there is a 10 Amp PCM Crank fuse that is between the ignition switch and PCM input to tell it to start. Can you check that fuse as well? If fuse is good check to make sure the fuse reads 12 volts on each side in reference to ground when they key is turned to the start position. I want to make sure it’s not an issue with the switch suppling a 12v input to the PCM during cranking
Alright thanks for checking all that. Agreed the PCM is not supplying the ground to the relay to engage the relay. I see there is a 10 Amp PCM Crank fuse that is between the ignition switch and PCM input to tell it to start. Can you check that fuse as well? If fuse is good check to make sure the fuse reads 12 volts on each side in reference to ground when they key is turned to the start position. I want to make sure it’s not an issue with the switch suppling a 12v input to the PCM during cranking
Did you check for power at the Stop, Turn Signal and SRS fuses? These get the same supplied voltage as the ABS/PCM fuse does. If you have power there then I would start checking plugs inline to the next component and checking for continuity in the wires leading from the fuse to the crank relay. The wire colors are on that wiring print as well. Unfortunately your just gonna have to see where you have power and where you loose it and check in between. If you don’t have it at the other fuses check the voltage output of the ignition switch before it goes to the fuse. If you have it at the ignition switch but not at the fuse then check the wire in between and there is a couple connectors as well between them. The wiring print will help you a lot to trace down the wires. I hope this helps.
Did you check for power at the Stop, Turn Signal and SRS fuses? These get the same supplied voltage as the ABS/PCM fuse does. If you have power there then I would start checking plugs inline to the next component and checking for continuity in the wires leading from the fuse to the crank relay. The wire colors are on that wiring print as well. Unfortunately your just gonna have to see where you have power and where you loose it and check in between. If you don’t have it at the other fuses check the voltage output of the ignition switch before it goes to the fuse. If you have it at the ignition switch but not at the fuse then check the wire in between and there is a couple connectors as well between them. The wiring print will help you a lot to trace down the wires. I hope this helps.
Yes that is odd now your reading voltage, Not sure why you are reading voltage across the relay and it not turning on. Just as you stated you will have batt + power to the relay coil on the one side during ON and Crank. However the PCM grounds the other side when it receives a start command from the key switch crank input. Did you check the 10 amp PCM crank fuse I mentioned earlier? If that fuse is blown it will not receive the start input to the PCM and the PCM will not output a ground to the relay to turn on the crank relay. If the fuse is good, then check voltage at the fuse on either side in reference to ground and have someone turn the key and see if you get + batt voltage. It sounds like your on the west coast, wish you were closer I would come help you, I have a GM Tech II scan tool and I can see the power messages during different key rotations to see if the PCM is seeing a start command.
Yes that is odd now your reading voltage, Not sure why you are reading voltage across the relay and it not turning on. Just as you stated you will have batt + power to the relay coil on the one side during ON and Crank. However the PCM grounds the other side when it receives a start command from the key switch crank input. Did you check the 10 amp PCM crank fuse I mentioned earlier? If that fuse is blown it will not receive the start input to the PCM and the PCM will not output a ground to the relay to turn on the crank relay. If the fuse is good, then check voltage at the fuse on either side in reference to ground and have someone turn the key and see if you get + batt voltage. It sounds like your on the west coast, wish you were closer I would come help you, I have a GM Tech II scan tool and I can see the power messages during different key rotations to see if the PCM is seeing a start command.



