6th Gen ('00-'05): trying to find what it is
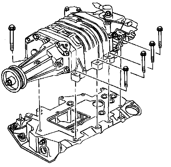
The picture shows a supercharger and lower intake manifold from a L67 3800.
I do know the name: the picture you posted is a L67 supercharger, a L67 lower intake manifold, and the bolts that hold the supercharger to the intake. Did you intend to circle something specific on the picture for us to identify?
The plug question is confusing - are we talking electrical or vacuum (or fluid if you're talking about the snout fill port / pulley vent)? Is the part you're asking about on the supercharger or the lower intake? Can you provide any kind of location guidance - IE the vacuum port on the LIM under the supercharger snout, the electrical plug on the supercharger bypass valve, etc.
We need more detail on what you're actually asking about here to be of any kind of help. There's multiple plugs / ports on the image you posted.
The plug question is confusing - are we talking electrical or vacuum (or fluid if you're talking about the snout fill port / pulley vent)? Is the part you're asking about on the supercharger or the lower intake? Can you provide any kind of location guidance - IE the vacuum port on the LIM under the supercharger snout, the electrical plug on the supercharger bypass valve, etc.
We need more detail on what you're actually asking about here to be of any kind of help. There's multiple plugs / ports on the image you posted.
That plastic part with the hose barbs poking out is called a 'vacuum source manifold' or 'vacuum cap'.
If you dont have a hose to attach to every barb on it, then the open ports absolutely must be capped. It's open inside to the pre-boost portion of the blower / intake tract to act as a primary vacuum source.
If a port is open to atmosphere, it'll constantly suck in air. That air will be coming in after the mass airflow measurement (which tells the engine how much fuel to add), so it won't run correctly.
If you dont have a hose to attach to every barb on it, then the open ports absolutely must be capped. It's open inside to the pre-boost portion of the blower / intake tract to act as a primary vacuum source.
If a port is open to atmosphere, it'll constantly suck in air. That air will be coming in after the mass airflow measurement (which tells the engine how much fuel to add), so it won't run correctly.
It's missing completely? Yeah, you cant just plug that. If nothing else youre not going to have vacuum for your brake booster.
Try searching PN 24503488, that seems to come up with a lot of hits on google searching that name with 3800 / L67. Seems like a lot of places online stock that one still. Double check the PN interchange to be sure it shows fitting your specific year though.
Another option is ZZP just came out recently with an aluminum cap. Little more expensive, but it should last a lot longer than the plastic ones do.
Try searching PN 24503488, that seems to come up with a lot of hits on google searching that name with 3800 / L67. Seems like a lot of places online stock that one still. Double check the PN interchange to be sure it shows fitting your specific year though.
Another option is ZZP just came out recently with an aluminum cap. Little more expensive, but it should last a lot longer than the plastic ones do.
Last edited by bumpin96monte; Oct 8, 2025 at 04:26 PM.







